聯系熱線
106-L臭氧分析儀如何設置數據導出 數據可以記錄在內部數據記錄器中。 多達 32,736 條數據線,包括對數、臭氧混合比、內部(電池)溫度、內部(電池)壓力、流速、光電二極管電壓、

美國2B 106型臭氧檢測儀如何使用菜單設置讀數次數 在不記錄的情況下平均數據 從主菜單中選擇平均可以選擇四種平均模式。 按住選擇開關以獲得主菜單。 選擇并單擊 Avg 以獲取 Avg 菜

美國2B 106-M臭氧分析儀自帶過濾器嗎 美國2B 型號106-M固件具有通過內置自適應過濾器采樣臭氧濃度數據的能力。默認情況下,此過濾器是關閉的。用戶可以選擇激活這個過濾器,它通過

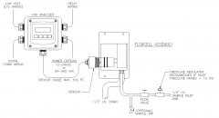
ATI Q46H/64 水中臭氧檢測儀三種安裝方式 ATI水中 臭氧檢測儀 ,常用的三種安裝方式如下: 標準體系 標準型號 Q46H/64 系統包括三個主要組件:Q46H 分析儀、恒壓頭流通池和臭氧傳感器。密

美國2B 306 臭氧標定源校準數據舉例 下圖是校準一臺Model 202 臭氧分析儀 獲得的數據,它以前已經被我們一臺可NIST溯源的儀器進行了校準,新的目標臭氧濃度每5分鐘被輸進本臭氧校準源

ATi 的 Q46H/64 溶解臭氧監測儀為水質監測和控制臭氧處理系統提供經濟可靠的測量系統。Q46H/64 具有多種輸出,包括 4-20 mA 模擬、PID 控制、三個可調繼電器和數字通信,適用于任何臭氧應

如何對美國2B 106 型臭氧檢測儀進行編程程序 程序大綱: 一、通過串口對ADI微控制器進行編程 三、故障排除 所需配件: -RS232 直通電纜(隨儀器提供) -一字螺絲刀 -12 伏電源 所需軟件

美國2B 106-L型和106-M型臭氧監測儀UV燈組件如何更換 當確定106-L型或106-M型臭氧監測儀上的紫外檢測燈的工作噪音超過正常限度或完全不工作時,可按以下步驟輕松更換該燈組件: 1. 去除覆

美國2B 106-L臭氧監測儀安裝藍牙設備流程 要求 2B Technologies Inc. 106 型系列臭氧監測儀 藍牙無線收發器 計算機 可選的 106 型分線板 背景 如果您想將 4-20 mA 模擬輸出功能與 106 系列臭氧監
